Application of Super Capacitor Battery in Lithium Ion Power Battery System
With the rapid development of the automotive electrification industry, the number of electric automobiles on the market is increasing incredibly. So far, the impact caused by the performance shortcomings of lithium-ion batteries in low-temperature environments has become more and more prominent. Subsequently, there are also increasing complaints from users about the attenuation of the battery range and power attenuation of electric automobiles at low temperatures.
1. The combination of the super capacitor and the original electric vehicle high-voltage system heats up the lithium-ion battery
In order to alleviate the performance shortcomings of lithium-ion batteries at low temperatures, the most direct and effective way is to heat the battery pack. The current common practice is to use a liquid circulation heating system with a PTC heater as the main body to heat up the lithium-ion battery to improve its battery performance.
However, the use of the PTC heater to heat the battery pack requires a large amount of energy, on account of the low energy efficiency of the PTC heater and the energy loss in the liquid circulation circuit. It will result in a sharp reduction in the vehicle's cruising range under low temperature conditions. The system described in the article will not use a PTC heater to heat the battery, but will add a set of ups capacitor batteries to form a hybrid energy system with the original high-voltage system of electric vehicles, and the lithium ion battery and the supercap capacitor battery will interact with each other. The internal resistance heats up during charging and discharging to increase the temperature of the lithium-ion battery. On the other hand, when vehicles require high-power driving and energy recovery, the excellent power characteristics of supercapacitor batteries are used to 'shake peaks and fill valleys' for the charging and discharging capabilities of lithium-ion batteries to reduce their losses during high-power charging and discharging.
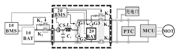
2. The composition of super capacitor hybrid energy system
The composition principle of the hybrid energy system is shown in Figure 1. The composition of each component and its related functions are described as follows:
(1) The main power source of the vehicle is composed of a large-capacity lithium-ion battery 1#BAT and its battery control system 1# BMS.
(2) The super capacitor battery device is composed of super capacitor battery 2#BAT and its battery control system 2# BMS.
(3) The voltage control device is composed of an inductor L, IGBTs G1 and G2, a capacitor C, and a current sensor CS.
1# BMS and 2# BMS exchange information through CAN communication, including battery voltage, current, temperature, SOC, SOP, etc. 2# BMS calculates and judges the switching of charging and discharging modes of supercapacitor lithium ion battery and supercapacitor batteries, and sends voltage control commands to the control voltage device to achieve the purpose of 'self-heating' and 'peak-shaving'.
Figure 1 Schematic diagram of the composition of a hybrid energy system
Use the internal resistance of the lithium-ion battery to generate self-heating to reduce heating energy consumption
Figure 2 illustrates the principle of self-heating of the internal resistance of a lithium-ion battery. The 'small ball' in the picture represents the energy in the battery system. The potential energy of the 'small ball' is increased by the voltage controller to overcome the resistance (the internal resistance of the battery) to move back and forth. The heat generated by overcoming the resistance is used to raise the temperature of the battery pack itself.
Figure 2 Self-heating principle of lithium ion internal resistance
In this process, the voltage control device plays a considerable role. Specifically, by repeatedly implementing the following two processes, the lithium-ion battery generates heat through its own internal resistance.(1) Energy flows from supercap vs battery.
According to the current vehicle state, the voltage control device performs step-up control on the output voltage of the lithium-ion battery, so that current flows from the lithium-ion battery to the supercapacitor battery. And in this process, the voltage control device adjusts the voltage according to the status of each part in real time to ensure that the lithium-ion battery charges the supercapacitor battery with a controlled power.
(2) Energy flows from the supercapacitor battery to the lithium ion battery.
When the SOC of the supercapacitor battery reaches the high point (the current set value is 90%), the process (1) is ended and the process (2) is entered. The voltage control device will perform real-time dynamic voltage reduction processing on the super capacitor battery according to the status of each part to ensure that the super capacitor battery can charge the lithium ion battery with a controlled power.
3. Super capacitor batteries 'shaving peaks and filling valleys' on the charging and discharging power of lithium-ion batteries
In addition to excellent low-temperature resistance, supercapacitor batteries have excellent high-current discharge capabilities and energy conversion efficiency. Utilizing these characteristics, when the vehicle side requires high-power energy output or recovery, the super supercapacitor battery is used to 'shuffle the peak and fill the valley' of the charging and discharging power to the achieve the goal of reducing the energy loss during the high-power charging and discharging of the lithium-ion battery. The schematic diagram is shown in Figure 3. Similarly, 'peak clipping' and 'valley filling' will be described in two processes:
(1) 'Peak cutting' stage:
Under normal circumstances, lithium-ion batteries provide all power output for the vehicle. But when the vehicle needs high-power driving, the battery management system will allocate the required power according to the status of the lithium-ion battery and the supercapacitor battery. Lithium-ion batteries will remain discharged with a relatively stable power, and the remaining power demand will be supplemented by supercapacitor batteries. The voltage control device will control the voltage of the lithium ion battery and the super capacitor battery in real time according to the power distribution.
(2) 'Grain filling' stage:
Figure 3 Schematic diagram of 'peak cutting and valley filling'
When the vehicle needs energy recovery, the battery management system will allocate the required power according to the status of the lithium-ion battery and the supercapacitor battery. The energy regenerated on the vehicle side is delivered to the lithium-ion battery and super capacitor battery after voltage control of the bus voltage by the voltage control device. Regenerative energy is prioritized to charge the super capacitor battery. When the SOC of the super capacitor battery reaches a high level, the remaining recovered energy is absorbed by the lithium ion battery.
4. Confirmation of the effect of super capacitor hybrid energy system
⑴ Confirmation of heat effect
Finally, after comprehensively considering various factors, a lithium-ion battery internal resistance heating temperature rise model is established, as shown in Figure 4. The simulation result of Matlab/Simulink model is shown as in Figure 5.
Figure 4 Lithium-ion battery internal resistance heating temperature rise model
Figure 5 Internal resistance heating temperature rise and energy consumption curve
It can be seen from Figure 5 that in an environment of -25 ℃, lithium-ion batteries and supercapacitor batteries are repeatedly charged and discharged with a power of 20 kW. The internal resistance of the lithium-ion battery generates heat, which raises the temperature of the lithium-ion battery to -15 ℃ and consumes about 900 Wh. Compared with the traditional PTC heating method, its energy consumption is reduced by about 44%. It can be seen that, compared with traditional heating methods, internal resistance heating does have a greater advantage in terms of energy consumption.
⑵ Confirmation of the effect of 'peak cutting and filling valley'
In order to confirm the effect of "peak clipping and valley filling", according to the electrical architecture of the hybrid energy system, Matlab/Simulink was used to establish a power distribution simulation model of the system.
The simulation model is mainly composed of high-voltage lithium-ion batteries, supercapacitors, and voltage control devices to simulate the power distribution of the energy sources of the hybrid energy system when the vehicle is running. Set the rated voltage of the lithium-ion battery to 350 V, the rated voltage of the low esr super capacitor battery to 600 V, and the rated voltage platform of the vehicle drive system to 500 V. And refer to the curve shown in Figure 3 to simulate the user's vehicle demand power. The simulation results are shown in Figure 6, curve 1 is the vehicle side demand power, curve 2 is the output power of the lithium ion battery, and curve 3 is the output power of the supercapacitor battery.
Figure 6 Power distribution simulation curve
It can be seen from the figure that when the power demand on the automobile side increases instantaneously, the lithium-ion battery increases the output power in a balanced manner, and the remaining part is supplemented by the supercapacitor battery; when the automobile side continues to demand high-power power, the lithium-ion battery maintains a constant output, and the remaining part is supplemented by the supercapacitor battery; when the automobile side is regenerating energy, the supercapacitor battery is charged. It can be seen from the simulation results that the hybrid energy system can effectively control the output power of the lithium-ion battery within a limited range, avoid high-power charging and discharging, and achieve the effect of 'peak shaving and valley filling' .
From the perspective of effect confirmation, the advantages of this system solution compared with the traditional electric automobiles solution are:
(1) Self-heating through battery internal resistance does not require traditional thermal management liquid circulation loops, which can effectively reduce heat exchange losses, thereby reducing heating energy consumption. At the same time, under the condition that the consistency of the cells is maintained, the heating power of each cell is the same, and the heating balance is good.
(2) Avoid high-power charging and discharging of lithium-ion batteries, which can effectively alleviate the attenuation of automobile battery range. On the other hand, the program is still in the early stage of research, and there are still many issues that need to be resolved. For example, how the system is coordinated with the automobile control strategy, the effect of the physical installation and the reliability of the system have yet to be confirmed, and so on. Look forward to overcoming the shortcomings of the existing topics in the following research and strive to put the scheme into practical application.
JINZHOU KAIMEI has quality supercapacitor for sale, you can send a email to info@kamcap.com or dial at +86-18640666860 if interested.
As a professional supercapacitor manufacturers, KAMCAP has high-quality kamcap capacitor for sale. Welcome to contact us if needed.

Comments
Post a Comment